Morfeo MF-8/2,8 T40

Bomba sumergible de construcción pesada con motor seco y protección interna reforzada

Potencia y durabilidad para aguas residuales exigentes

La Morfeo MF-8/2,8 T40 es una bomba eléctrica sumergible trifásica, especialmente diseñada para el manejo de aguas residuales con alta carga de sólidos en entornos industriales, municipales o de obra civil. Su diseño robusto incluye un motor seco con cámara de aceite intermedia, que actúa como barrera de protección entre el sistema hidráulico y el motor eléctrico, mejorando la fiabilidad operativa y reduciendo el riesgo de fallos por contaminación interna.

Gracias a su construcción pesada y resistente, esta bomba es ideal para aplicaciones que requieren trabajo continuo, resistencia a la abrasión y bajo mantenimiento.

Características principales

  • Bomba sumergible trifásica de alta robustez

  • Motor seco con cámara de aceite interpuesta para mayor seguridad y durabilidad

  • Diseñada para aguas residuales con sólidos en suspensión

  • Ideal para condiciones de uso intensivo en obra, industria o saneamiento

  • Construcción pensada para minimizar el desgaste y facilitar el mantenimiento

  • Rendimiento constante en aplicaciones exigentes

Accesorios

Collares de baja succión, ánodos de zinc, reguladores de nivel, arrancadores, flotadores, conexiones en tándem, acoplamientos, etc.

Especificaciones técnicas
Tipo de bomba
Eléctrica sumergible ATEX
Clasificación
IP 68
Cable
10m
Fuente de alimentación
3ph 400v 50hz
Temperatura máx. del líquido
40°C/104ºF
Potencia nominal P2 (kw)
2,8
Potencia nominal P1 (kw)
2
Conexión de descarga
3”
Velocidad del eje (r.p.m)
1392
Corriente nominal (A)
5,4
Paso de sólidos (mm)
65
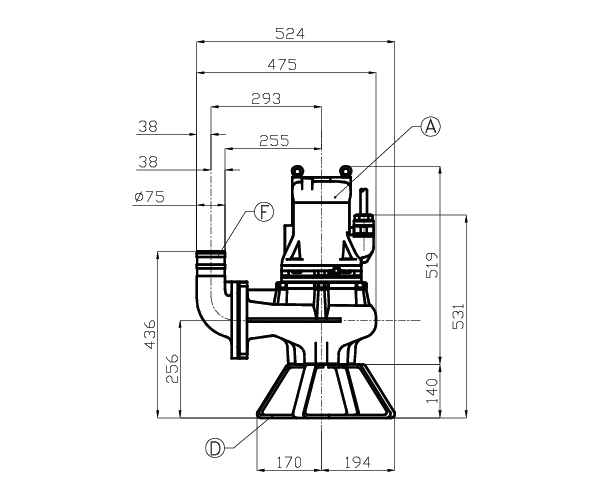
Altura (mm)
659
Diámetro (mm)
524
Peso (kg)
67
Materiales
Piezas fundidas
Hierro fundido
Eje del motor
Acero inoxidable
50 HZ 1ph-3ph
Conexión de descarga
3”
Potencia nominal P2 (kw)
1,5-2,2
Potencia máxima absorbida P1 (kw)
1,9-2,7
Velocidad del eje (r.p.m.)
2800
Corriente a 400V
4,5 A
Paso de sólidos (mm)
9
Altura (mm)
676
Diámetro (mm)
240
Peso (kg)
29

Fiabilidad asegurada en cada detalle

Contamos con soluciones robustas y fiables para proyectos que requieren máxima eficiencia y continuidad operativa. Nuestros productos están preparados para entornos industriales exigentes y se entregan con todos los accesorios necesarios para garantizar un funcionamiento seguro y sin contratiempos.

Pregúntanos por disponibilidad y compatibilidades.