Tritón TF-4/1,6 T21

Bomba sumergible IP68 con 10 m de cable y caudal de hasta 13 m³/h

Eficiencia trifásica en aplicaciones de drenaje ligero

La Tritón TF-4/1,6 T21 es una bomba eléctrica sumergible trifásica diseñada para el bombeo de aguas ligeramente cargadas en aplicaciones de evacuación, achique o mantenimiento en entornos industriales y comerciales. Su clasificación IP68 garantiza una total estanqueidad para trabajos sumergidos continuos, y su cable de alimentación de 10 metros facilita la instalación en zonas de difícil acceso.

Funciona a 400V / 50Hz y alcanza un caudal máximo de 13 m³/h, lo que la convierte en una solución práctica, segura y eficiente para el vaciado de depósitos, pozos, fosas u otras instalaciones donde se requiera una bomba compacta y fiable.

Características principales

  • Bomba sumergible trifásica (400V – 50Hz)

  • Protección IP68 para inmersión continua en condiciones exigentes

  • Caudal máximo de hasta 13 m³/h

  • Cable de alimentación de 10 m incluido

  • Adecuada para aguas ligeramente cargadas

  • Compacta, resistente y fácil de instalar

Accesorios

Collares de baja succión, ánodos de zinc, reguladores de nivel, arrancadores, flotadores, conexiones en tándem, acoplamientos, etc.

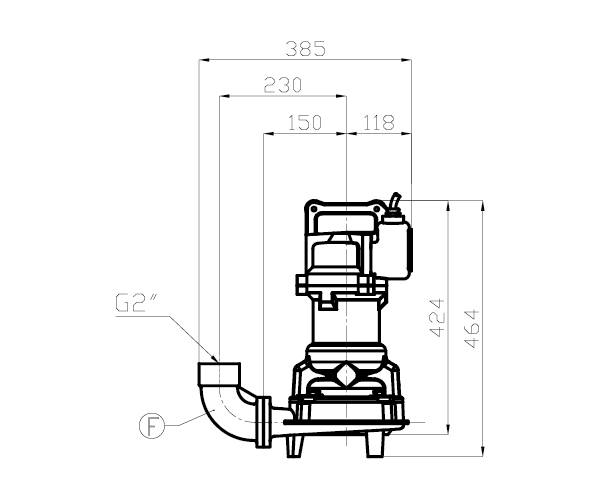
Especificaciones técnicas
Tipo de bomba
Bomba eléctrica sumergible
Clasificación
IP 68
Cable
10m
Descarga
2”
Fuente de alimentación
3ph 400v 50hz
Temperatura máx. del líquido
< 40°C
Caudal máximo (m³/h)
13,0
Potencia nominal (kw)
1,6
Velocidad del eje (r.p.m)
2783
Corriente nominal (A)
3,1
Paso de sólidos (mm)
6
Altura (mm)
10,9
Diámetro (mm)
125
Peso (kg)
40
Materiales
Piezas fundidas
Hierro fundido EN-GJL-250
Eje del motor
Acero galvanizado
50 HZ 1ph-3ph
Conexión de descarga
3”
Potencia nominal P2 (kw)
1,5-2,2
Potencia máxima absorbida P1 (kw)
1,9-2,7
Velocidad del eje (r.p.m.)
2800
Corriente a 400V
4,5 A
Paso de sólidos (mm)
9
Altura (mm)
676
Diámetro (mm)
240
Peso (kg)
29

Fiabilidad asegurada en cada detalle

Contamos con soluciones robustas y fiables para proyectos que requieren máxima eficiencia y continuidad operativa. Nuestros productos están preparados para entornos industriales exigentes y se entregan con todos los accesorios necesarios para garantizar un funcionamiento seguro y sin contratiempos.

Pregúntanos por disponibilidad y compatibilidades.