Vulcano VF-5/0,9 M20

Solución sumergible para el manejo eficaz de aguas contaminadas en entornos industriales.

Rendimiento compacto para aguas residuales

La Vulcano VF-5/0,9 M20 es una bomba eléctrica sumergible especialmente indicada para el bombeo de agua sucia, aguas pluviales o aguas residuales tamizadas con presencia de sólidos en suspensión. Su diseño compacto y su fiabilidad la hacen ideal para plantas industriales donde se requiera una solución eficaz y continua para la gestión de efluentes.

Gracias a su capacidad para manejar líquidos contaminados y sólidos en suspensión, esta bomba se adapta perfectamente a entornos con requisitos exigentes de funcionamiento, sin comprometer la durabilidad ni el mantenimiento.

Características principales

  • Diseño compacto y robusto

  • Ideal para aguas sucias y residuales tamizadas

  • Apta para sólidos en suspensión

  • Uso recomendado en plantas industriales

  • Funcionamiento fiable y continuo

  • Instalación y manejo sencillos

Accesorios

Collares de baja succión, ánodos de zinc, reguladores de nivel, arrancadores, flotadores, conexiones en tándem, acoplamientos, etc.

Especificaciones técnicas
Tipo de bomba
Bomba eléctrica sumergible con impulsor Vortex y reg. Versión nonf
Descarga
2”
Cable
10m
Fuente de alimentación
1ph 230v 50hz
Temperatura máx. del líquido
40°C /104ºF
Potencia nominal (kw)
0.9
Velocidad del eje (r.p.m)
2850
Paso de sólidos (mm)
40
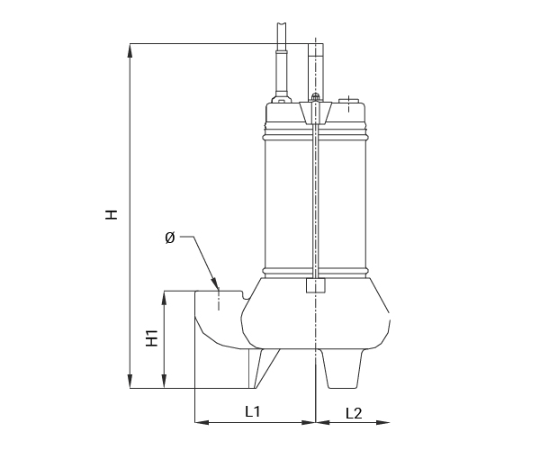
Altura (mm)
430
Diámetro (mm)
270
Peso (kg)
14
Materiales
Cuerpo
Acero Inoxidable y Hierro fundido
50 HZ 1ph-3ph
Conexión de descarga
3”
Potencia nominal P2 (kw)
1,5-2,2
Potencia máxima absorbida P1 (kw)
1,9-2,7
Velocidad del eje (r.p.m.)
2800
Corriente a 400V
4,5 A
Paso de sólidos (mm)
9
Altura (mm)
676
Diámetro (mm)
240
Peso (kg)
29
Materiales
Piezas fundidas
Aluminio
Carcasa
Acero Inoxidable
Impulsor
Hard-IronTM

Fiabilidad asegurada en cada detalle

Contamos con soluciones robustas y fiables para proyectos que requieren máxima eficiencia y continuidad operativa. Nuestros productos están preparados para entornos industriales exigentes y se entregan con todos los accesorios necesarios para garantizar un funcionamiento seguro y sin contratiempos.

Pregúntanos por disponibilidad y compatibilidades.