Vulcano VF-5/1,1 T21

Construcción robusta en acero inoxidable y hierro fundido para un uso intensivo y continuo

Fiabilidad reforzada para aguas residuales con sólidos

La Vulcano VF-5/2,2 T20 es una bomba sumergible trifásica especialmente diseñada para el manejo de aguas residuales cargadas de sólidos en aplicaciones industriales. Su construcción combina acero inoxidable y hierro fundido, lo que garantiza una excelente resistencia a la abrasión, la corrosión y el desgaste mecánico incluso en entornos exigentes.

Pensada para ofrecer un rendimiento fiable y sostenido, esta bomba es ideal para su uso en plantas de tratamiento de aguas, instalaciones industriales, procesos de saneamiento y sistemas de drenaje donde se requiere un caudal constante y seguro.

Características principales

  • Cuerpo resistente en acero inoxidable e hierro fundido

  • Apta para líquidos con sólidos en suspensión

  • Impulsor tipo Vortex: evita obstrucciones y mejora el paso libre de sólidos

  • Motor trifásico de alto rendimiento

  • Ideal para uso prolongado en aplicaciones industriales exigentes

  • Fiabilidad operativa y bajo mantenimiento

Accesorios

Collares de baja succión, ánodos de zinc, reguladores de nivel, arrancadores, flotadores, conexiones en tándem, acoplamientos, etc.

Especificaciones técnicas
Tipo de bomba
Bomba eléctrica sumergible con impulsor Vortex y reg. Versión nonf
Descarga
2”
Cable
10m
Fuente de alimentación
3ph 400v 50hz
Temperatura máx. del líquido
40°C /104ºF
Potencia nominal (kw)
1,1
Velocidad del eje (r.p.m)
2850
Paso de sólidos (mm)
50
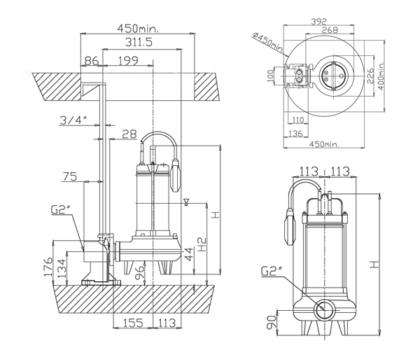
Altura (mm)
460
Diámetro (mm)
270
Peso (kg)
20
Materiales
Cuerpo
Acero Inoxidable y Hierro fundido
50 HZ 1ph-3ph
Conexión de descarga
3”
Potencia nominal P2 (kw)
1,5-2,2
Potencia máxima absorbida P1 (kw)
1,9-2,7
Velocidad del eje (r.p.m.)
2800
Corriente a 400V
4,5 A
Paso de sólidos (mm)
9
Altura (mm)
676
Diámetro (mm)
240
Peso (kg)
29

Fiabilidad asegurada en cada detalle

Contamos con soluciones robustas y fiables para proyectos que requieren máxima eficiencia y continuidad operativa. Nuestros productos están preparados para entornos industriales exigentes y se entregan con todos los accesorios necesarios para garantizar un funcionamiento seguro y sin contratiempos.

Pregúntanos por disponibilidad y compatibilidades.