Vulcano VF-5/1,1 M21

Impulsor Vortex para una gestión eficaz de aguas cargadas de sólidos

Rendimiento fiable en bombeo industrial

La bomba eléctrica sumergible Vulcano VF-5/1,1 M21 está diseñada para el manejo eficiente de aguas residuales, aguas pluviales y líquidos con sólidos en suspensión. Gracias a su impulsor Vortex, permite el paso libre de sólidos reduciendo el riesgo de obstrucciones, lo que la convierte en una solución ideal para procesos industriales donde la fiabilidad es clave.

Compacta, robusta y fácil de mantener, está pensada para funcionar de manera continua en entornos exigentes sin comprometer el rendimiento.

Características principales

  • Impulsor Vortex: permite el paso de sólidos sin contacto directo, evitando atascos

  • Funcionamiento sumergible, especialmente diseñada para entornos industriales

  • Construcción resistente a la abrasión y la corrosión

  • Ideal para líquidos cargados de sólidos o aguas residuales tamizadas

  • Fácil instalación y mantenimiento reducido

Accesorios

Collares de baja succión, ánodos de zinc, reguladores de nivel, arrancadores, flotadores, conexiones en tándem, acoplamientos, etc.

Especificaciones técnicas
Tipo de bomba
Bomba eléctrica sumergible con impulsor Vortex y reg. Versión nonf
Descarga
2”
Cable
10m
Fuente de alimentación
1ph 230v 50hz
Temperatura máx. del líquido
40°C /104ºF
Potencia nominal (kw)
1,1
Velocidad del eje (r.p.m)
2850
Paso de sólidos (mm)
50
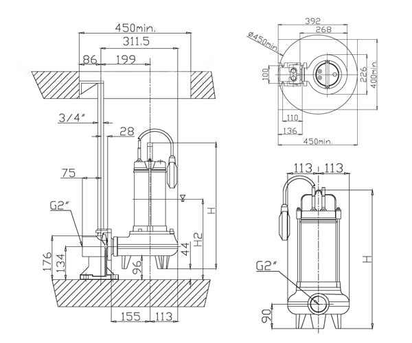
Altura (mm)
480
Diámetro (mm)
270
Peso (kg)
20
Materiales
Cuerpo
Acero Inoxidable y Hierro fundido
50 HZ 1ph-3ph
Conexión de descarga
3”
Potencia nominal P2 (kw)
1,5-2,2
Potencia máxima absorbida P1 (kw)
1,9-2,7
Velocidad del eje (r.p.m.)
2800
Corriente a 400V
4,5 A
Paso de sólidos (mm)
9
Altura (mm)
676
Diámetro (mm)
240
Peso (kg)
29

Fiabilidad asegurada en cada detalle

Contamos con soluciones robustas y fiables para proyectos que requieren máxima eficiencia y continuidad operativa. Nuestros productos están preparados para entornos industriales exigentes y se entregan con todos los accesorios necesarios para garantizar un funcionamiento seguro y sin contratiempos.

Pregúntanos por disponibilidad y compatibilidades.