Vulcano VF-5/1,5 M20

Bombeo fiable en entornos industriales con líquidos cargados de sólidos

Eficiencia robusta para aguas residuales

La bomba Vulcano VF-5/1,5 M20 está diseñada para ofrecer un rendimiento eficiente en el manejo de aguas residuales, aguas pluviales y líquidos con sólidos en suspensión en entornos industriales exigentes. Gracias a su construcción robusta y su capacidad para gestionar partículas sólidas, es una opción fiable para procesos continuos y condiciones de trabajo duras.

Compacta, resistente y fácil de mantener, esta bomba permite una operación continua minimizando los riesgos de obstrucción o paradas no planificadas.

Características principales

  • Construcción duradera en acero inoxidable y hierro fundido

  • Ideal para el bombeo de líquidos con carga sólida

  • Funcionamiento sumergible con diseño compacto

  • Bajo mantenimiento y alta resistencia a la abrasión

  • Adaptada para aplicaciones industriales exigentes

Accesorios

Collares de baja succión, ánodos de zinc, reguladores de nivel, arrancadores, flotadores, conexiones en tándem, acoplamientos, etc.

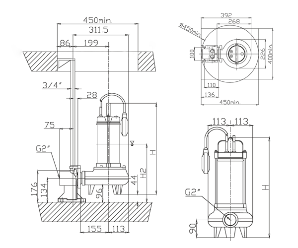
Especificaciones técnicas
Tipo de bomba
Bomba eléctrica sumergible con impulsor Vortex y reg. Versión nonf
Descarga
2”
Cable
10m
Fuente de alimentación
1ph 230v 50hz
Temperatura máx. del líquido
40°C /104ºF
Potencia nominal (kw)
1,5
Velocidad del eje (r.p.m)
2850
Paso de sólidos (mm)
50
Altura (mm)
500
Diámetro (mm)
270
Peso (kg)
22
Materiales
Cuerpo
Acero Inoxidable y Hierro fundido
50 HZ 1ph-3ph
Conexión de descarga
3”
Potencia nominal P2 (kw)
1,5-2,2
Potencia máxima absorbida P1 (kw)
1,9-2,7
Velocidad del eje (r.p.m.)
2800
Corriente a 400V
4,5 A
Paso de sólidos (mm)
9
Altura (mm)
676
Diámetro (mm)
240
Peso (kg)
29

Fiabilidad asegurada en cada detalle

Contamos con soluciones robustas y fiables para proyectos que requieren máxima eficiencia y continuidad operativa. Nuestros productos están preparados para entornos industriales exigentes y se entregan con todos los accesorios necesarios para garantizar un funcionamiento seguro y sin contratiempos.

Pregúntanos por disponibilidad y compatibilidades.