Vulcano VF-5/1,5 T20

Impulsor Vortex y diseño trifásico para el manejo seguro de sólidos

Potencia sumergible para entornos industriales

La Vulcano VF-5/1,5 T20 es una bomba eléctrica sumergible trifásica equipada con impulsor Vortex, especialmente diseñada para el bombeo de aguas residuales, aguas pluviales y líquidos con alto contenido de sólidos en suspensión. Su diseño favorece un paso de sólidos eficiente, evitando bloqueos y garantizando un rendimiento continuo incluso en las condiciones más exigentes.

Es una solución compacta, robusta y de fácil integración en sistemas industriales donde la fiabilidad y la resistencia al desgaste son esenciales.

Características principales

  • Tecnología Vortex: manejo seguro de líquidos con sólidos sin riesgo de obstrucción

  • Motor trifásico para una mayor eficiencia energética y estabilidad operativa

  • Ideal para aplicaciones industriales con aguas cargadas o procesos de saneamiento

  • Construcción duradera pensada para uso prolongado en entornos exigentes

  • Instalación sencilla y mantenimiento reducido

Accesorios

Collares de baja succión, ánodos de zinc, reguladores de nivel, arrancadores, flotadores, conexiones en tándem, acoplamientos, etc.

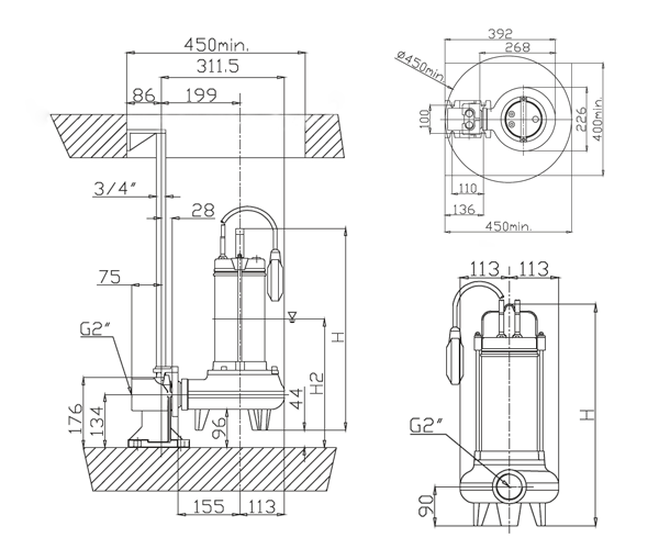
Especificaciones técnicas
Tipo de bomba
Bomba eléctrica sumergible con impulsor Vortex y reg. Versión nonf
Descarga
2”
Cable
10m
Fuente de alimentación
3ph 400v 50hz
Temperatura máx. del líquido
40°C /104ºF
Potencia nominal (kw)
1,5
Velocidad del eje (r.p.m)
2850
Paso de sólidos (mm)
50
Altura (mm)
480
Diámetro (mm)
270
Peso (kg)
22
Materiales
Cuerpo
Acero Inoxidable y Hierro fundido
50 HZ 1ph-3ph
Conexión de descarga
3”
Potencia nominal P2 (kw)
1,5-2,2
Potencia máxima absorbida P1 (kw)
1,9-2,7
Velocidad del eje (r.p.m.)
2800
Corriente a 400V
4,5 A
Paso de sólidos (mm)
9
Altura (mm)
676
Diámetro (mm)
240
Peso (kg)
29

Fiabilidad asegurada en cada detalle

Contamos con soluciones robustas y fiables para proyectos que requieren máxima eficiencia y continuidad operativa. Nuestros productos están preparados para entornos industriales exigentes y se entregan con todos los accesorios necesarios para garantizar un funcionamiento seguro y sin contratiempos.

Pregúntanos por disponibilidad y compatibilidades.