Vulcano VF-5/2,2 T20

Construcción mixta en acero inoxidable y hierro fundido para entornos exigentes

Máxima resistencia para aguas residuales industriales

La Vulcano VF-5/2,2 T20 es una bomba eléctrica sumergible trifásica diseñada para el manejo de aguas residuales con sólidos en suspensión. Su cuerpo combina acero inoxidable y hierro fundido, lo que le proporciona una alta resistencia mecánica y una excelente durabilidad frente a la abrasión y la corrosión.

Esta bomba es ideal para aplicaciones industriales exigentes, como plantas de tratamiento, instalaciones de bombeo en fábricas o zonas con vertidos de líquidos contaminados. Su robustez estructural y su capacidad para operar de forma continua la convierten en una solución eficaz y duradera.

Características principales

  • Construcción híbrida: acero inoxidable + hierro fundido para mayor resistencia

  • Apta para aguas residuales con sólidos en suspensión

  • Motor trifásico para un rendimiento estable y eficiente

  • Funcionamiento sumergible con mantenimiento reducido

  • Recomendada para uso industrial continuo

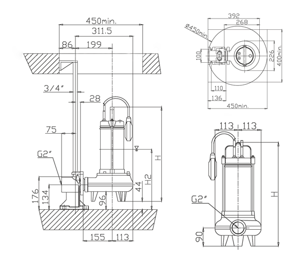
Accesorios

Collares de baja succión, ánodos de zinc, reguladores de nivel, arrancadores, flotadores, conexiones en tándem, acoplamientos, etc.

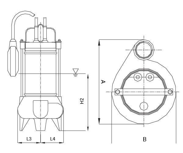
Especificaciones técnicas
Tipo de bomba
Bomba eléctrica sumergible con impulsor Vortex y reg. Versión nonf
Descarga
2”
Cable
10m
Fuente de alimentación
3ph 400v 50hz
Temperatura máx. del líquido
40°C /104ºF
Potencia nominal (kw)
2,2
Velocidad del eje (r.p.m)
2850
Paso de sólidos (mm)
45
Altura (mm)
500
Diámetro (mm)
270
Peso (kg)
25
Materiales
Cuerpo
Acero Inoxidable y Hierro fundido
50 HZ 1ph-3ph
Conexión de descarga
3”
Potencia nominal P2 (kw)
1,5-2,2
Potencia máxima absorbida P1 (kw)
1,9-2,7
Velocidad del eje (r.p.m.)
2800
Corriente a 400V
4,5 A
Paso de sólidos (mm)
9
Altura (mm)
676
Diámetro (mm)
240
Peso (kg)
29

Fiabilidad asegurada en cada detalle

Contamos con soluciones robustas y fiables para proyectos que requieren máxima eficiencia y continuidad operativa. Nuestros productos están preparados para entornos industriales exigentes y se entregan con todos los accesorios necesarios para garantizar un funcionamiento seguro y sin contratiempos.

Pregúntanos por disponibilidad y compatibilidades.