FENIX

El modelo más pequeño de nuestra gama de achique con todas las prestaciones de las bombas de mayor tamaño.

Bomba Fenix: rendimiento compacto, eficiencia total

La bomba Fenix destaca por su diseño compacto sin comprometer las prestaciones técnicas que caracterizan a los modelos superiores. Es ideal para operaciones de achique donde el espacio es limitado, pero se requiere una alta fiabilidad y resistencia al desgaste. Gracias a su diseño hidráulico optimizado, garantiza un rendimiento constante incluso tras un uso prolongado, minimizando el coste por metro cúbico bombeado.

Está equipada con sistema SMART, protección térmica a 125 °C, control de secuencia y guardafases, asegurando una operación segura y eficiente en todo momento. Además, cuenta con una amplia gama de accesorios que permiten adaptarla a distintas configuraciones de trabajo.

Características principales

  • Tamaño compacto: la más pequeña de la gama de achique, ideal para espacios reducidos.

  • Alta resistencia al desgaste: diseño hidráulico que prolonga la vida útil y mantiene el rendimiento.

  • Protección térmica: sistema que se activa a 125 °C para prevenir sobrecalentamientos.

  • Sistema SMART: control inteligente de funcionamiento y protección del equipo.

  • Seguridad eléctrica: incluye control de secuencia de fases y guardafases (3-ph).

Accesorios

Collares de baja succión, ánodos de zinc, reguladores de nivel, arrancadores, flotadores, conexiones en tándem, acoplamientos, etc.

Especificaciones técnicas
Tipo de bomba
Eléctrica sumergible monofásica y trifásica
Clasificación
IP 68
Profundidad máx. de sumersión
20 m
Cable
20 m, SUBCAB: 1-ph: 3G1.5mm2 3-ph: 4G1.5mm2
Limitaciones
pH 5-8
Temperatura máx. del líquido
40°C
50 HZ
Conexión de descarga
2”
Potencia máxima absorbida P1 (kw)
1,8-1,6
Velocidad del eje (r.p.m.)
2870-2740
Corriente a 230V/380V
7,8 A – 4,7 A
Paso de sólidos (mm)
7,5
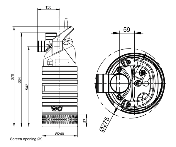
Altura (mm)
646
Diámetro (mm)
200
Peso (kg)
25-21,5
Materiales
Carcasa
Aluminio
Carcasa
Acero Inoxidable 304
Impulsor
Hard-IronTM

Fiabilidad asegurada en cada detalle

Contamos con soluciones robustas y fiables para proyectos que requieren máxima eficiencia y continuidad operativa. Nuestros productos están preparados para entornos industriales exigentes y se entregan con todos los accesorios necesarios para garantizar un funcionamiento seguro y sin contratiempos.

Pregúntanos por disponibilidad y compatibilidades.