Xtz2 /AAAAA/BNS/BN/ABN/0014

Alto rendimiento y resistencia mecánica para procesos industriales exigentes

Bomba neumática con cuerpo de aluminio y membranas de Buna-N

La bomba XTZ2/AAAAA/BNS/BN/ABN/0014 ha sido diseñada para ofrecer un equilibrio óptimo entre robustez, fiabilidad y rendimiento en operaciones donde las condiciones de trabajo son especialmente severas. Su construcción en aluminio y el uso de Buna-N en componentes críticos como membranas, bolas y asientos proporcionan una excelente resistencia frente a aceites, combustibles, productos con base hidrocarburo y otros fluidos industriales.

Este modelo es idóneo para el trasvase de líquidos de baja a media viscosidad, con o sin presencia de sólidos, en sectores como la automoción, la industria química, el mantenimiento industrial y el tratamiento de aguas.

Gracias a su accionamiento neumático, no requiere electricidad, es capaz de operar en seco y se adapta fácilmente a condiciones variables de caudal y presión.

Características principales

  • Cuerpo de bomba en aluminio, resistente a la abrasión y al desgaste mecánico

  • Membranas, bolas y asientos en Buna-N, compatibles con aceites, disolventes y productos químicos moderadamente agresivos

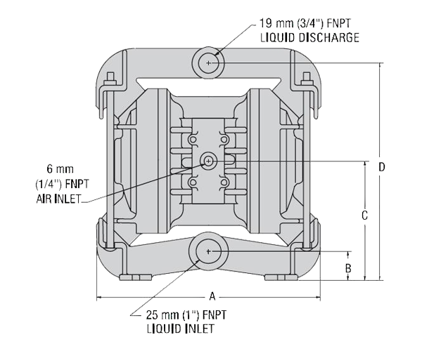
  • Conexiones de 1”, con posibilidad de adaptación a sistemas flexibles mediante brida-manguera

  • Caudal máximo: hasta 208 l/min

  • Altura de aspiración en seco: hasta 4 m

  • Presión máxima de trabajo: 7 bar

  • Apta para funcionamiento en seco y bombeo de productos con partículas finas

  • Sistema autocebante, sin necesidad de componentes eléctricos ni sellos mecánicos

  • Diseño compacto, ideal para instalaciones temporales o de difícil acceso

Accesorios

Adaptadores brida–manguera, Reguladores de presión, Válvula on/off, Filtro de aspiración y Manguera de aspiración y descarga

Especificaciones técnicas
Tipo de bomba
Neumática metálica
Clasificación
Bomba de superficie
Cable
No
Temperatura máx. Wil-Flex™ (Cº)
–12.2° a 82.2
N
Conexión Asp/imp
2”
Presión máxima (bar)
8.6
Caudal máximo (l/min)
148
Capacidad de aspiración en seco (m)
6.4
Conexión de aire (NPT)
1/4”
Paso de sólidos (mm)
3.2
Altura (mm)
279
Ancho (mm)
267
Peso (kg)
12
Materiales
Cuerpo
Aluminio
Membranas
Buna-N
Asientos
Aluminio
Bolas
Buna-N
Junta de Asientos
Buna-N

Fiabilidad asegurada en cada detalle

Contamos con soluciones robustas y fiables para proyectos que requieren máxima eficiencia y continuidad operativa. Nuestros productos están preparados para entornos industriales exigentes y se entregan con todos los accesorios necesarios para garantizar un funcionamiento seguro y sin contratiempos.

Pregúntanos por disponibilidad y compatibilidades.